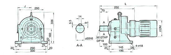
SCMH-30403 |
 |
| |
| Àüµ¿±â |
Çü ½Ä |
Ç¥ÁØ Àüµ¿±â ºÎÂøÇü |
BRAKE ºÎÂøÇü |
| ¿ë·®(kw) |
±Ø¼ö |
L |
J |
DM |
Áß·®(kg) |
L |
J |
DM |
Áß·®(kg) |
| 0.4 |
4 |
SCMH 05-30403 |
500 |
134 |
175 |
35 |
590 |
134 |
175 |
36 |
| 0.75 |
4 |
SCMH 1-30403 |
500 |
134 |
175 |
41 |
595 |
134 |
175 |
42 |
|
| |
| |
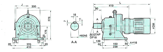
SCMH-30503 |
 |
| |
| Àüµ¿±â |
Çü ½Ä |
Ç¥ÁØ Àüµ¿±â ºÎÂøÇü |
BRAKE ºÎÂøÇü |
| ¿ë·®(kw) |
±Ø¼ö |
L |
J |
DM |
Áß·®(kg) |
L |
J |
DM |
Áß·®(kg) |
| 0.4 |
4 |
SCMH 05-30503 |
573 |
134 |
175 |
54 |
663 |
134 |
175 |
56 |
| 0.75 |
4 |
SCMH 1-30503 |
573 |
134 |
175 |
60 |
668 |
134 |
175 |
65 |
| 1.5 |
4 |
SCMH 2-30503 |
630 |
155 |
192 |
64 |
735 |
155 |
192 |
69 |
|
| |
| |
SCMH-30603 |
 |
| |
| Àüµ¿±â |
Çü ½Ä |
Ç¥ÁØ Àüµ¿±â ºÎÂøÇü |
BRAKE ºÎÂøÇü |
| ¿ë·®(kw) |
±Ø¼ö |
L |
J |
DM |
Áß·®(kg) |
L |
J |
DM |
Áß·®(kg) |
| 0.4 |
4 |
SCMH 05-30603 |
640 |
134 |
175 |
99 |
648 |
134 |
175 |
101 |
| 0.75 |
4 |
SCMH 1-30603 |
640 |
134 |
175 |
105 |
672 |
134 |
175 |
107 |
|
| |
| |
SCMH-30604 |
 |
| |
| Àüµ¿±â |
Çü ½Ä |
Ç¥ÁØ Àüµ¿±â ºÎÂøÇü |
BRAKE ºÎÂøÇü |
| ¿ë·®(kw) |
±Ø¼ö |
L |
J |
DM |
Áß·®(kg) |
L |
J |
DM |
Áß·®(kg) |
| 1.5 |
4 |
SCMH 2-306034 |
712 |
155 |
192 |
110 |
817 |
155 |
192 |
112 |
| 2.2 |
4 |
SCMH 3-30604 |
736 |
184 |
235 |
114 |
841 |
184 |
235 |
116 |
|
| |
| |
SCMH-30703 |
 |
| |
| Àüµ¿±â |
Çü ½Ä |
Ç¥ÁØ Àüµ¿±â ºÎÂøÇü |
BRAKE ºÎÂøÇü |
| ¿ë·®(kw) |
±Ø¼ö |
L |
J |
DM |
Áß·®(kg) |
L |
J |
DM |
Áß·®(kg) |
| 0.4 |
4 |
SCMH 05-30703 |
680 |
134 |
175 |
137 |
770 |
134 |
175 |
139 |
| 0.75 |
4 |
SCMH 1-30703 |
680 |
134 |
175 |
137 |
775 |
134 |
175 |
146 |
|
| |
| |
SCMH-30704 |
 |
| |
| Àüµ¿±â |
Çü ½Ä |
Ç¥ÁØ Àüµ¿±â ºÎÂøÇü |
BRAKE ºÎÂøÇü |
| ¿ë·®(kw) |
±Ø¼ö |
L |
J |
DM |
Áß·®(kg) |
L |
J |
DM |
Áß·®(kg) |
| 1.5 |
4 |
SCMH 2-30704 |
752 |
155 |
192 |
148 |
857 |
155 |
192 |
151 |
| 2.2 |
4 |
SCMH 3-30704 |
776 |
184 |
235 |
152 |
881 |
184 |
235 |
155 |
| 3.7 |
4 |
SCMH 4-30704 |
801 |
184 |
235 |
169 |
921 |
184 |
235 |
172 |
|
| |
| |
SCMH-30803 |
 |
| |
| Àüµ¿±â |
Çü ½Ä |
Ç¥ÁØ Àüµ¿±â ºÎÂøÇü |
BRAKE ºÎÂøÇü |
| ¿ë·®(kw) |
±Ø¼ö |
L |
J |
DM |
Áß·®(kg) |
L |
J |
DM |
Áß·®(kg) |
| 0.4 |
4 |
SCMH 05-30803 |
725 |
134 |
175 |
187 |
815 |
134 |
175 |
190 |
| 0.75 |
4 |
SCMH 1-30803 |
725 |
134 |
175 |
191 |
820 |
134 |
175 |
194 |
| 1.5 |
4 |
SCMH 2-30803 |
780 |
155 |
102 |
197 |
880 |
155 |
192 |
200 |
|
| |
| |
SCMH-30805 |
 |
| |
| Àüµ¿±â |
Çü ½Ä |
Ç¥ÁØ Àüµ¿±â ºÎÂøÇü |
BRAKE ºÎÂøÇü |
| ¿ë·®(kw) |
±Ø¼ö |
L |
J |
DM |
Áß·®(kg) |
L |
J |
DM |
Áß·®(kg) |
| 2.2 |
4 |
SCMH 3-30804 |
829 |
184 |
235 |
215 |
934 |
184 |
235 |
219 |
| 3.7 |
4 |
SCMH 5-30804 |
854 |
213 |
274 |
226 |
974 |
213 |
274 |
230 |
| 5.5 |
4 |
SCMH 8-30804 |
892 |
213 |
274 |
234 |
1022 |
213 |
274 |
238 |
|
| |
| |
SCMH-30904 |
 |
| |
| Àüµ¿±â |
Çü ½Ä |
Ç¥ÁØ Àüµ¿±â ºÎÂøÇü |
BRAKE ºÎÂøÇü |
| ¿ë·®(kw) |
±Ø¼ö |
L |
J |
DM |
Áß·®(kg) |
L |
J |
DM |
Áß·®(kg) |
| 0.75 |
4 |
SCMH 1-30904 |
802 |
134 |
175 |
273 |
897 |
134 |
175 |
275 |
| 1.5 |
4 |
SCMH 2-30904 |
857 |
155 |
192 |
278 |
962 |
155 |
192 |
280 |
|
| |
| |
SCMH-30905 |
 |
| |
| Àüµ¿±â |
Çü ½Ä |
Ç¥ÁØ Àüµ¿±â ºÎÂøÇü |
BRAKE ºÎÂøÇü |
| ¿ë·®(kw) |
±Ø¼ö |
L |
J |
DM |
Áß·®(kg) |
L |
J |
DM |
Áß·®(kg) |
| 2.2 |
4 |
SCMH 3-30905 |
900 |
184 |
235 |
290 |
1005 |
184 |
235 |
293 |
| 3.7 |
4 |
SCMH 5-30905 |
925 |
184 |
235 |
301 |
1045 |
184 |
235 |
305 |
| 5.5 |
4 |
SCMH 8-30905 |
963 |
213 |
274 |
309 |
1093 |
213 |
274 |
313 |
| 7.5 |
4 |
SCMH 10-30905 |
1003 |
213 |
274 |
325 |
1163 |
213 |
274 |
330 |
|
| |
| |
SCMH-31004 |
 |
| |
| Àüµ¿±â |
Çü ½Ä |
Ç¥ÁØ Àüµ¿±â ºÎÂøÇü |
BRAKE ºÎÂøÇü |
| ¿ë·®(kw) |
±Ø¼ö |
L |
J |
DM |
Áß·®(kg) |
L |
J |
DM |
Áß·®(kg) |
| 0.75 |
4 |
SCMH 1-31004 |
845 |
134 |
175 |
294 |
940 |
134 |
175 |
296 |
| 1.5 |
4 |
SCMH 2-31004 |
900 |
155 |
192 |
299 |
1005 |
155 |
192 |
301 |
| 2.2 |
4 |
SCMH 3-31004 |
924 |
184 |
235 |
304 |
1039 |
184 |
235 |
306 |
| 3.7 |
4 |
SCMH 4-31004 |
949 |
184 |
235 |
310 |
1054 |
184 |
235 |
313 |
|
| |
| |
SCMH-31005 |
 |
| |
| Àüµ¿±â |
Çü ½Ä |
Ç¥ÁØ Àüµ¿±â ºÎÂøÇü |
BRAKE ºÎÂøÇü |
| ¿ë·®(kw) |
±Ø¼ö |
L |
J |
DM |
Áß·®(kg) |
L |
J |
DM |
Áß·®(kg) |
| 3.7 |
4 |
SCMH 5-31005 |
949 |
184 |
235 |
326 |
1054 |
184 |
235 |
333 |
| 5.5 |
4 |
SCMH 8-31005 |
1006 |
213 |
274 |
352 |
1111 |
213 |
274 |
365 |
| 7.5 |
4 |
SCMH 10-31005 |
1048 |
213 |
274 |
375 |
1150 |
213 |
274 |
378 |
|
| |
| |
| |
SCMH-31105 |
 |
| |
| Àüµ¿±â |
Çü ½Ä |
Ç¥ÁØ Àüµ¿±â ºÎÂøÇü |
BRAKE ºÎÂøÇü |
| ¿ë·®(kw) |
±Ø¼ö |
L |
J |
DM |
Áß·®(kg) |
L |
J |
DM |
Áß·®(kg) |
| 1.5 |
4 |
SCMH 2-31105 |
947 |
155 |
192 |
402 |
1052 |
155 |
192 |
404 |
| 2.2 |
4 |
SCMH 3-31105 |
971 |
184 |
235 |
405 |
1076 |
184 |
235 |
407 |
| 3.7 |
4 |
SCMH 5-31105 |
996 |
184 |
235 |
416 |
1116 |
184 |
235 |
418 |
|
| |
| |
SCMH-31106 |
 |
| |
| Àüµ¿±â |
Çü ½Ä |
Ç¥ÁØ Àüµ¿±â ºÎÂøÇü |
BRAKE ºÎÂøÇü |
| ¿ë·®(kw) |
±Ø¼ö |
L |
J |
DM |
Áß·®(kg) |
L |
J |
DM |
Áß·®(kg) |
| 5.5 |
4 |
SCMH 8-31106 |
1075 |
213 |
274 |
433 |
1195 |
213 |
274 |
436 |
| 7.5 |
4 |
SCMH 10-31106 |
1099 |
213 |
274 |
441 |
1259 |
213 |
274 |
446 |
| 11 |
4 |
SCMH 15-31106 |
1163 |
265 |
316 |
478 |
1323 |
265 |
316 |
484 |
|
| |
| |
SCMH-31205 |
 |
| |
| Àüµ¿±â |
Çü ½Ä |
Ç¥ÁØ Àüµ¿±â ºÎÂøÇü |
BRAKE ºÎÂøÇü |
| ¿ë·®(kw) |
±Ø¼ö |
L |
J |
DM |
Áß·®(kg) |
L |
J |
DM |
Áß·®(kg) |
| 1.5 |
4 |
SCMH 2-31205 |
994 |
155 |
192 |
484 |
1099 |
155 |
192 |
485 |
| 2.2 |
4 |
SCMH 3-31205 |
1018 |
184 |
235 |
491 |
1123 |
184 |
235 |
493 |
| 3.7 |
4 |
SCMH 5-31205 |
1043 |
184 |
235 |
498 |
1148 |
184 |
235 |
500 |
| 5.5 |
4 |
SCMH 8-31205 |
1081 |
213 |
274 |
506 |
1186 |
213 |
274 |
508 |
|
| |
| |
SCMH-31206 |
 |
| |
| Àüµ¿±â |
Çü ½Ä |
Ç¥ÁØ Àüµ¿±â ºÎÂøÇü |
BRAKE ºÎÂøÇü |
| ¿ë·®(kw) |
±Ø¼ö |
L |
J |
DM |
Áß·®(kg) |
L |
J |
DM |
Áß·®(kg) |
| 5.5 |
4 |
SCMH 8-31206 |
1123 |
213 |
274 |
519 |
1256 |
213 |
274 |
525 |
| 1.1 |
4 |
SCMH 15-31206 |
1128 |
265 |
316 |
587 |
1388 |
265 |
316 |
595 |
| 1.5 |
4 |
SCMH 20-31206 |
1274 |
265 |
316 |
646 |
1434 |
265 |
316 |
650 |
|
| |
| |
SCMH-31306 |
 |
| |
| Àüµ¿±â |
Çü ½Ä |
Ç¥ÁØ Àüµ¿±â ºÎÂøÇü |
BRAKE ºÎÂøÇü |
| ¿ë·®(kw) |
±Ø¼ö |
L |
J |
DM |
Áß·®(kg) |
L |
J |
DM |
Áß·®(kg) |
| 2.2 |
4 |
SCMH 3-31306 |
1097 |
184 |
235 |
616 |
1202 |
184 |
235 |
619 |
| 3.7 |
4 |
SCMH 5-31306 |
1122 |
184 |
235 |
625 |
1242 |
184 |
235 |
628 |
| 5.5 |
4 |
SCMH 8-31306 |
1160 |
213 |
274 |
633 |
1290 |
213 |
274 |
636 |
|
| |
| |
SCMH-31308 |
 |
| |
| Àüµ¿±â |
Çü ½Ä |
Ç¥ÁØ Àüµ¿±â ºÎÂøÇü |
BRAKE ºÎÂøÇü |
| ¿ë·®(kw) |
±Ø¼ö |
L |
J |
DM |
Áß·®(kg) |
L |
J |
DM |
Áß·®(kg) |
| 7.5 |
4 |
SCMH 10-31308 |
1223 |
213 |
274 |
658 |
1390 |
213 |
274 |
664 |
| 15 |
4 |
SCMH 20-31308 |
1323 |
265 |
316 |
767 |
1492 |
265 |
316 |
777 |
| 18.5 |
4 |
SCMH 25-31308 |
1360 |
286 |
365 |
836 |
- |
- |
- |
- |
|
| |
| |
SCMH-31406 |
 |
| |
| Àüµ¿±â |
Çü ½Ä |
Ç¥ÁØ Àüµ¿±â ºÎÂøÇü |
BRAKE ºÎÂøÇü |
| ¿ë·®(kw) |
±Ø¼ö |
L |
J |
DM |
Áß·®(kg) |
L |
J |
DM |
Áß·®(kg) |
| 2.2 |
4 |
SCMH 3-31406 |
1136 |
184 |
235 |
735 |
1241 |
184 |
235 |
738 |
| 3.7 |
4 |
SCMH 5-31406 |
1161 |
184 |
235 |
745 |
1281 |
184 |
235 |
748 |
| 5.5 |
4 |
SCMH 8-31406 |
1199 |
213 |
274 |
753 |
1329 |
213 |
274 |
757 |
| 7.5 |
4 |
SCMH 10-31406 |
1239 |
213 |
274 |
771 |
1399 |
213 |
274 |
776 |
|
| |
| |
SCMH-31408 |
 |
| |
| Àüµ¿±â |
Çü ½Ä |
Ç¥ÁØ Àüµ¿±â ºÎÂøÇü |
BRAKE ºÎÂøÇü |
| ¿ë·®(kw) |
±Ø¼ö |
L |
J |
DM |
Áß·®(kg) |
L |
J |
DM |
Áß·®(kg) |
| 11 |
4 |
SCMH 15-31408 |
1326 |
265 |
316 |
799 |
1485 |
265 |
316 |
805 |
| 15 |
4 |
SCMH 20-31408 |
1370 |
265 |
316 |
878 |
- |
- |
- |
- |
| 18.5 |
4 |
SCMH 25-31408 |
1398 |
286 |
365 |
947 |
- |
- |
- |
- |
| 22 |
4 |
SCMH 30-31408 |
1403 |
286 |
365 |
947 |
- |
- |
- |
- |
|
| |
| |
SCMH-31607 |
 |
| |
| Àüµ¿±â |
Çü ½Ä |
Ç¥ÁØ Àüµ¿±â ºÎÂøÇü |
BRAKE ºÎÂøÇü |
| ¿ë·®(kw) |
±Ø¼ö |
L |
J |
DM |
Áß·®(kg) |
L |
J |
DM |
Áß·®(kg) |
| 3.7 |
4 |
SCMH 15-31607 |
1301 |
184 |
235 |
1133 |
1421 |
184 |
235 |
1136 |
| 5.5 |
4 |
SCMH 20-31607 |
1339 |
213 |
274 |
1144 |
1469 |
213 |
274 |
1148 |
| 7.5 |
4 |
SCMH 25-31607 |
1379 |
213 |
274 |
1160 |
1539 |
213 |
274 |
1165 |
| 11 |
4 |
SCMH 30-31607 |
1443 |
265 |
316 |
1177 |
1603 |
265 |
316 |
1186 |
|
| |
| |
SCMH-31609 |
 |
| |
| Àüµ¿±â |
Çü ½Ä |
Ç¥ÁØ Àüµ¿±â ºÎÂøÇü |
BRAKE ºÎÂøÇü |
| ¿ë·®(kw) |
±Ø¼ö |
L |
J |
DM |
Áß·®(kg) |
L |
J |
DM |
Áß·®(kg) |
| 3.7 |
4 |
SCMH 20-31609 |
1483 |
265 |
316 |
1197 |
1653 |
265 |
316 |
1206 |
| 5.5 |
4 |
SCMH 25-31609 |
1539 |
286 |
365 |
1309 |
- |
- |
- |
- |
| 7.5 |
4 |
SCMH 30-31609 |
1544 |
286 |
365 |
1391 |
- |
- |
- |
- |
| 11 |
4 |
SCMH 35-31609 |
1647 |
334 |
411 |
1408 |
- |
- |
- |
- |
|
| |
| |
SCMH-31709 |
 |
| |
| Àüµ¿±â |
Çü ½Ä |
Ç¥ÁØ Àüµ¿±â ºÎÂøÇü |
BRAKE ºÎÂøÇü |
| ¿ë·®(kw) |
±Ø¼ö |
L |
J |
DM |
Áß·®(kg) |
L |
J |
DM |
Áß·®(kg) |
| 5.5 |
4 |
SCMH 8-31709 |
1472 |
213 |
274 |
1501 |
1602 |
213 |
274 |
1505 |
| 7.5 |
4 |
SCMH 10-31709 |
1512 |
213 |
274 |
1518 |
1672 |
213 |
274 |
1523 |
| 11 |
4 |
SCMH 15-31709 |
1576 |
265 |
316 |
1534 |
1736 |
265 |
316 |
1543 |
| 15 |
4 |
SCMH 20-31709 |
1622 |
265 |
316 |
1589 |
1802 |
265 |
316 |
1599 |
| 18.5 |
4 |
SCMH 25-31709 |
1650 |
286 |
365 |
1672 |
- |
- |
- |
- |
| 22 |
4 |
SCMH 30-31709 |
1655 |
286 |
365 |
1672 |
- |
- |
- |
- |
| 30 |
4 |
SCMH 40-31709 |
1758 |
334 |
411 |
1688 |
- |
- |
- |
- |
| 37 |
4 |
SCMH 50-31709 |
1758 |
334 |
411 |
1688 |
- |
- |
- |
- |
|
| |
| |
SCMH-31809 |
 |
| |
| Àüµ¿±â |
Çü ½Ä |
Ç¥ÁØ Àüµ¿±â ºÎÂøÇü |
BRAKE ºÎÂøÇü |
| ¿ë·®(kw) |
±Ø¼ö |
L |
J |
DM |
Áß·®(kg) |
L |
J |
DM |
Áß·®(kg) |
| 5.5 |
4 |
SCMH 8-31809 |
1682 |
213 |
274 |
2750 |
1812 |
213 |
274 |
2754 |
| 7.5 |
4 |
SCMH 10-31809 |
1722 |
213 |
274 |
2766 |
1882 |
213 |
274 |
2771 |
| 11 |
4 |
SCMH 15-31809 |
1786 |
265 |
316 |
2783 |
1946 |
265 |
316 |
2972 |
| 15 |
4 |
SCMH 20-31809 |
1832 |
265 |
316 |
2838 |
2012 |
265 |
316 |
2848 |
| 18.5 |
4 |
SCMH 25-31809 |
1860 |
286 |
365 |
2920 |
- |
- |
- |
- |
| 22 |
4 |
SCMH 30-31809 |
1865 |
286 |
365 |
2920 |
- |
- |
- |
- |
| 30 |
4 |
SCMH 40-31809 |
1968 |
334 |
411 |
2937 |
- |
- |
- |
- |
|
| |
| |