• HOME  >  Á¦Ç°¼Ò°³ > ¸ðÅÍ  
  • ¸ðÅÍDC¸ðÅÍ

D.C   P¤ýM GEARED MOTOR

30w/100w/200w/400w
Permanent Magnet
VERTICAL(FLANGE)TYPE

GNR068M TYPE
  Out Put : 0.4KW
  Voltage : 180v
  Excited : Permanent Magnet     Poles : 2P
  Speed : 1750
  Reduced Ratio : (1/5 ¢¦ 1/60)
  Rating : Continue
  Protection & Cooling :
  IP23/IC01

GNR047M TYPE
  Out Put : 100KW
  Voltage : 90v
  Excited : Permanent Magnet
  Poles : 2P
  Excited : Permanent Magnet   SPEED : 1750RPM
  Reduced Ratio : 1/ 10, 1/15,   1/30
  Protection & Cooling :
  IP44/IC0041
GNR047M TYPE
  Out Put :30W
  Voltage : 90v
  Excited : Permanent Magnet
  Poles : 2P

  SPEED : 3000RPM
  Rating : Continue
  Protection & Cooling :
  IP44/ICOO41
 
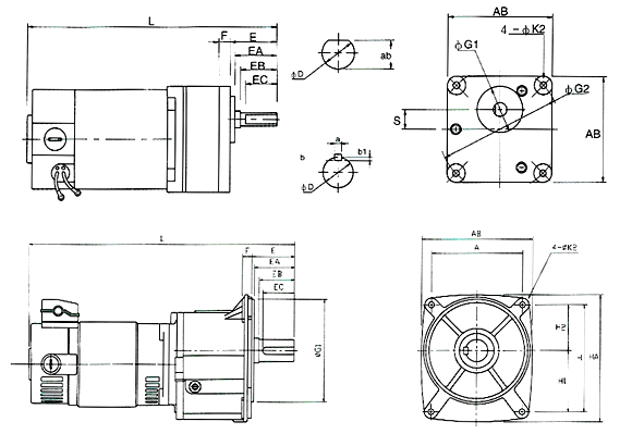
OUTLINE DIMENSIONS
TYPE OUT PUT(KW) A AB ¨ªD E EA EB EC F ¨ªG1 ¨ªG2 H HA H1 H2 ¨ªK2 L S KEY
aXbXb1
APPROX WT.<kg>
GNR038M 30   80 10 36 32   24   35 94         M5 190 15

8.7

2.1
GNR047M 100   115 15 33 30 25 22 12 40 140         7 269 20 5¡¿5¡¿3.0 5
GSR068S 200 140 176 28 47 44 40 35 17 150   177.5 207.5 107.5 70 10 390   8¡¿7¡¿4.0 14
GSR068M 400 140 176 28 47 44 40 35 17 150   177.5 207.5 107.5 70 10 435   8¡¿7¡¿4.0 17
 
SPECIFICATIONS
TYPE OUTPUT
(KW)
REDUCED
RATIO
POLES (P) VOLTAGE
(V)
CURRENT
(A)
SPEED
(RPM)
TORQUE
(kg-m)
RATING BEARING
(PL/OPL)
INS.
CLASS
GNR038M
30 1/20,1/40
2 90 0.4 3000 0.973 CONT. 6200zz/628zz F
GNR047M 100 1/10,1/15,1/30 2 90 1.3 1750 5.56 CONT. 6301zz/6200zz F
GSR068S 200 1/5,1/10,1/15,1/20,1/30,1/60 2 180 1.4 1750 11.1 CONT. 6203zz/6202zz F
GSR068M 400 1/5,1/10,1/15,1/20,1/30,1/60 2 180 2.8 1750 22.2 CONT. 6203zz/6202zz F
 
top
  • °æ±âµµ ±èÆ÷½Ã ¾çÃÌÀ¾ ±¸·¡¸® 671   »ç¾÷ÀÚµî·Ï¹øÈ£ : 897-81-00136   ´ëÇ¥ : Àå ¿µ ¼ö   TEL : 031-996-5546   FAX : 031-996-5576
    E-mail : motortech@naver.comCopyright(c) ¢ß¸ðÅÍÅØ ¿¤¸®º£ÀÌÅÍ. All right Reserved.